prom-unit
+7 (495) 188-00-12
info@prom-unit.ru

Новости

Двухскоростные электродвигатели , класс изоляции H

31-07-2019, 19:11
Двухскоростные электродвигатели , класс изоляции H
 
В НАЛИЧИИ на складе
 
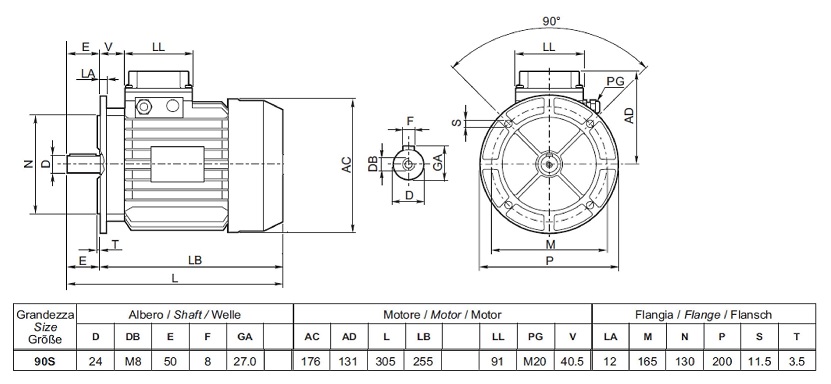
Электродвигатель  kW1.5-1.1/4-6/100B5 класс H
Двигатель двухскоростной 
Класс изоляции обмоток H
Предельная температура, 155 C
Напряжение 400 В
0,37 кВт 1400 об/мин
0,25 кВт 900 об/мин
 

 
Электродвигатель kW0.37—0.25/4-6/80B5  класс H
Двигатель двухскоростной 
Класс изоляции обмоток H
Предельная температура, 155 C
Напряжение 400 В
0,75 кВт 1420 об/мин
0,5 кВт 920 об/мин
 

 
Электродвигатель  kW0.75-0.50/4-6/90B5  класс H
Двигатель двухскоростной 
Класс изоляции обмоток H
Предельная температура, 155 C
Напряжение 400 В
1,5 кВт 1430 об/мин
1,1 кВт 940 об/мин
 


 
 
 
 
 
 
 
 
 
 
 
 
 
 
 
 
 
 
 
 
 
 
ООО "СПРОКЕТ"
Тел.: +7 (495) 114-51-25
Е-mail : info@prom-unit.ru
www.prom-unit.ru

Категория: Новости
© 2012 ПРОМЮНИТ Все права защищены.
Указанные на сайте наименования товаров, логотипы товаров и бренды, используются в соответствии с политикой использования торговых марок соответствующего правообладателя. Их использование не означает, что правообладатели имеют какое-либо отношение к сайту prom-unit.ru, одобряют его действия, или иным образом связаны с сайтом prom-unit.ru.
ПРОМЮНИТ ул.Осташковская , д.4 129345 Москва +7 (495) 114-51-25